August 2019
Website outage - I made some hosting changes and there was a minor hiccup. Hopefully everything is now back to normal but please let me know if anything is missing.
The start of a new project added in the Homebrew category. Specifically, a Frequency Dependant Switch. Measures the incoming frequency and switches 1 of 8 outputs on. Software for this project uploaded.
June 2019
Added another project for the AD9850 DDS modules. A Simple DDS sweeper in the Homebrew section. This is an absolutely basic, no frills project using a 12F1840 to sweep a DDS module between a range of frequencies. Plenty of scope for you to improve on the software and add extra features.
Privacy Policy uploaded. It may be viewed at the Privacy Policy link in the footer.
Custom code/webhost costs
I have, for quite a while, provided modified versions of the code for my projects free of charge. However, the cost of webhosting for this site has tripled in the last few of years and shows no signs of getting any cheaper.
As of October 2017, I will be asking for a donation in exchange for providing custom modified code for my projects to help keep this site available.
GPDR and all that stuff
In accordance with various bits of legislation around the world, either currently in force, about to come into force or proposed, you will now find that annoying "We use cookies" notice at the top of this website. Please note that the ONLY cookies currently used on this site are for that pop-up (see https://cookieconsent.insites.com/) and Google Analytics. The full Privacy Policy is available at the Privacy Policy link in the footer at the bottom of the page. (If you don't know what GPDR is, Google it. Real scary shit for ANYBODY with a web presence.)
This is a mod using a DDS module to repair a drifty Philips PM 5326 RF generator. Stefan has done a marvellous job, not only of the mod, but also in providing the write-up and pictures presented below.
Starting point for this project was a constant frequency drift of my Philips PM 5326 RF generator. Even after hours of warming up it doesn't come to a full stop. Furthermore tuning to a specific frequency was a touchy thing because no fine tuning was possible with the build in tuning capacitor. The RF section of the generator is based on the PLL principle. The reference frequency is generated by a VFO, comprising a simple transistor LC oscillator. This reference frequency determines the frequency of a VCO as the active element of the generator. It generates the RF frequency between 100 KHz and 125 MHz via several range coils and divider chains for the phase comparator. Every slight deviation in frequency of the VFO results in a relatively higher deviation of the VCO and therefore of the RF frequency. So, the weak point was the VFO, which was state of the art in the late 70's, early 80's. It was as good as was possible in those days. So, I decided to replace the "analog" VFO with a modern DDS-VFO. An additional requirement was, that the generator shoud remain in its original state. I never wanted to drill any holes to the case for adding any switches etc. The modification should not be seen from outside and it should be reversible. Browsing through the internet I found the "Simple DDS VFO" from Terry (VK5TM) which fits all my needs, except for the step size switch. But Terry thankfully updated the software for the microcontroller, so that the step size could be toggled with a push switch on a suitable encoder. The following pictures show how the project was realised:
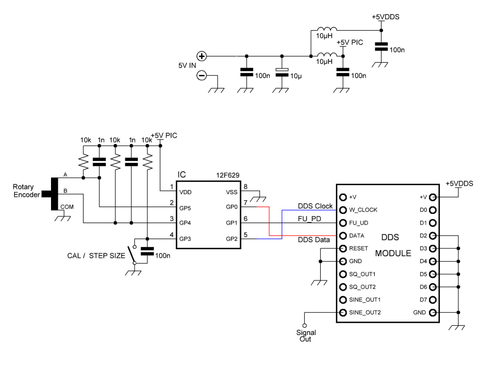
Pic_00: The circuit diagram, modified for my project. Power supply was altered and 100n cap fitted across the step switch.
Pic_01 + Pic_02: The DDS-VFO circuit build on a Veroboard.
Pic_03 + Pic_04: Aluminium die-cast case, ready to mount.
Pic_05 + Pic_06: A look into the Philips PM5326 RF Generator.
You can see the RF-section opened with the VCO (0,1-125 MHz) and the VFO (498-1255 KHz) parts.
On the right side the tuning capacitor for the VFO. It has to be removed.
Pic_07: The tuning capacitor removed. A lot of work to do that. The side panel has to be removed as well as the front plate of the generator.
Pic_08: The empty space where the case for the DDS-VFO will be installed.
Pic_09 - Pic_11: The rotary encoder all ready in place with a new bracket.
Pic_12 + Pic_13: The generator's front and side panel taken apart.
Pic_14 + Pic_15: The new die-cast case in place and the side panel mounted.
Pic_16: All the knobs fitted on the front plate.
Pic_17: The circuit built into the aluminium case.
Pic_18 + Pic_19 : The microcontroller 12F629 and the new wiring harness installed.
Pic_20: Finally the AD9850 DDS-module on top of the veroboard.
Pic_21 + Pic_22: Alignment of the DDS-VFO to the center frequency 876 KHz with my Racal Dana 1991 frequency counter (with OCXO option).
Frequency is spot on after 30 min. warm up time).
Pic_23: Fit the cover and tighten the screws of the DDS-VFO case.
Pic_24: The same for the RF section of the generator.
Pic_25: Wire harness of the encoder instead of the tuning capacitor's shaft.
Pic_26: The generator completely assembled and in its case. No optical changes visible. But the frequency setting knob now has a push button (built within the encoder).
Pic_27 + Pic_28: The generator turned on and tuned to the FM and AM IF frequencies 10,7 MHz and 455 KHz repectively.

Frequencies now are absolutely stable and precise (tolerances of only a few hertz). A huge improvement to the former state ! The modification was worth all the efforts. I am very grateful to Terry for all his support and help making this project a great success.
Obligatory Legal Stuff
Copyright © 2011 - 2019 T Mowles VK5TM.
(All rights reserved)
Privacy Policy
Unless otherwise noted, all content on this website belongs to the site-owner.
No person, corporation or other legal entity is permitted to make use of this content in any fashion or for any use other than personal use,
without the express written permission of the site-owner except for fair use provisions as allowed by appropriate copyright law.
See website Terms & Conditions.
Content contained in offsite links and all trademarks belong to their respective owners.